亮泰(中国)有限公司
产品中心
连接器
D-SUB连接器
工业连接器
防水数据连接器
推拉自锁
储能连接器
航空插头
按钮开关
行业解决方案
新闻和展会
关于亮泰
联系亮泰
我想
搜索
产品索引
用户
English
连接器
D-SUB连接器
工业连接器
防水数据连接器
推拉自锁
储能连接器
航空插头
推拉自锁
B系列
K系列
P系列
B系列
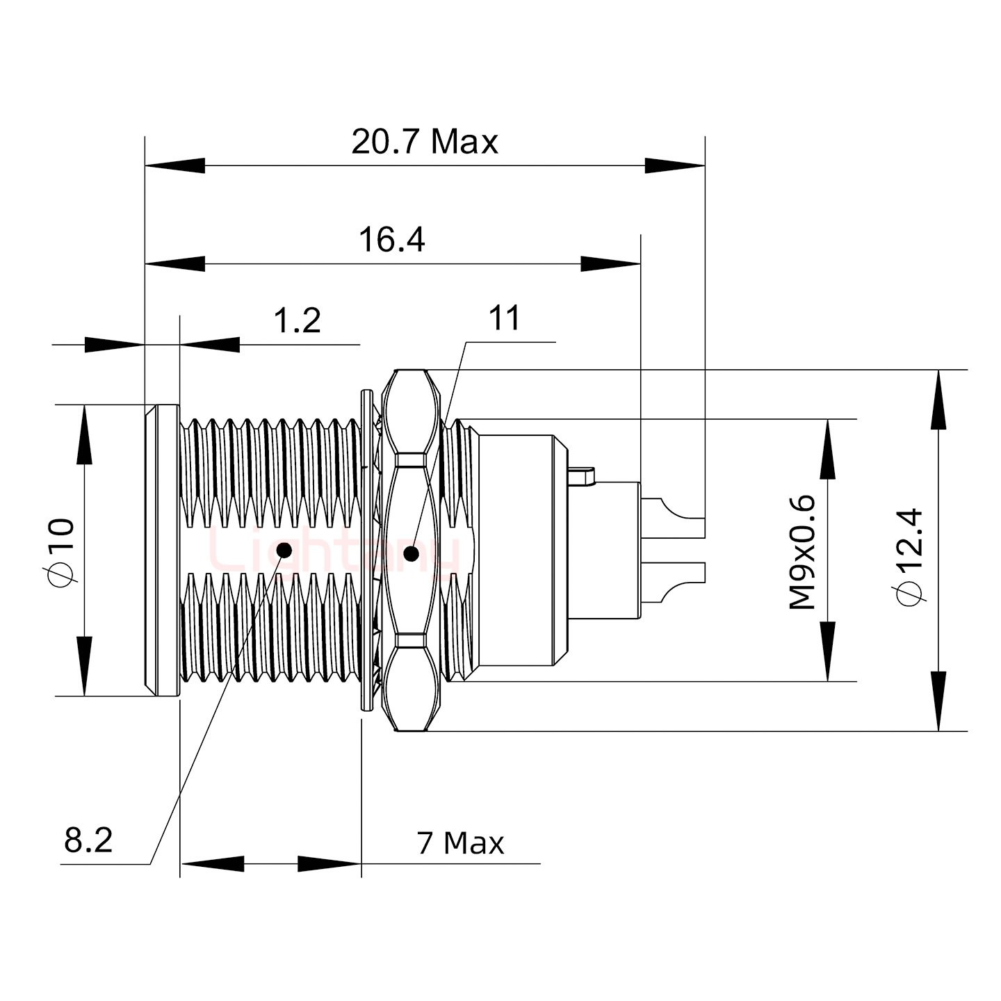
EGG.0B.003.CLL推拉自锁后螺母插座
产品类型:
0B
产品结构:
焊线式
插针直径:
Φ0.9mm
插针材质:
黄铜镀金
定位销:
G键位 0°
锁紧方式:
推拉自锁
外壳材质:
黄铜镀铬
相对湿度:
在60°C时最高达95%
抗腐蚀性能:
>144h
≥ 件, 元
EGG.0B.003.CLL推拉自锁后螺母插座
产品参数
物料编号:
C0330008031000
产品类型:
0B
针孔类型:
母孔
芯 数:
3芯
产品结构:
焊线式
插针直径:
Φ0.9mm
额定电流:
8A
插针材质:
黄铜镀金
胶芯材质:
PPS
定位销:
G键位 0°
锁紧方式:
推拉自锁
工作温度:
-45°C+125°C
接插次数:
5000次
外壳材质:
黄铜镀铬
阻燃等级:
UL94V-0
抗振动性能:
0-2000Hz,15g
抗冲击性能:
100g,6ms
相对湿度:
在60°C时最高达95%
抗腐蚀性能:
>144h
防护等级:
IP50
屏蔽性能:
75dB(10MHz) 40dB(1GHz)
相关产品
FGG.0K.002.CLAC10推拉自锁直式插头
EEG.00.002.CLN推拉自锁前螺母插座 直插板
EEG.00.003.CLL推拉自锁前螺母插座 焊线
EEG.00.002.CLL推拉自锁前螺母插座 焊线
HEG.0B.006.CLLPV推拉自锁前螺母插座 真空密封
HEG.0B.005.CLLPV推拉自锁前螺母插座 真空密封
EEG.00.004.CLN推拉自锁前螺母插座 直插板
HEG.0B.004.CLLPV推拉自锁前螺母插座 真空密封
EEG.00.003.CLN推拉自锁前螺母插座 直插板
EEG.00.004.CLL推拉自锁前螺母插座 焊线
HEG.0B.009.CLLPV推拉自锁前螺母插座 真空密封
HEG.0B.007.CLLPV推拉自锁前螺母插座 真空密封
资料下载
产品规格书 (PDF)
最新产品
EEG.3B.018.CLN前螺母插座 PCB直插板
ECG.3B.018.CLN双螺母插座 PCB直插板
ECG.2B.002.CLV双螺母插座 弯插板
B系列
K系列
P系列